半导体光放大器(SOA)系列产品,主要应用于1550nm波长的光放大,能显著提高输出光功率。
自有SOA芯片,全工艺自主可控。
单模版本
保偏版本
接头可定制
自有SOA芯片,全工艺自主可控。
|
参数 |
符号 |
工作条件 |
最小值 |
典型值 |
最大值 |
单位 |
|
工作波长 |
λ |
- |
1480 |
1515 |
1590 |
nm |
|
带宽 |
Δλ |
@-3dB |
50 |
55 |
- |
nm |
|
ASE纹波 |
Ripple |
If=250mA |
- |
- |
1 |
dB |
|
饱和光功率 |
Psat |
If=250mA |
12 |
- |
16 |
dBm |
|
饱和光功率(保偏) |
Psat |
If=250mA |
11 |
- |
15 |
dBm |
|
小信号增益 |
G |
If=250mA,Pin=-25dBm |
25 |
- |
30 |
dB |
|
工作电流 |
If |
- |
- |
250 |
400 |
mA |
|
正向电压 |
Vf |
- |
- |
- |
1.8 |
V |
|
消光比1 |
ER1 |
If=250mA/If=0mA Pin=0dBm |
- |
50 |
- |
dB |
|
消光比2 |
ER2 |
If=250mA/If=-0.4mA Pin=0dBm |
- |
65 |
- |
dB |
|
TEC电流 |
ITEC |
- |
- |
- |
1.8 |
A |
|
TEC电压 |
VTEC |
- |
- |
- |
3.4 |
V |
|
偏振相关增益 |
PDG |
- |
- |
1.5 |
2 |
dB |
|
热敏电阻阻值 |
Rtherm |
T=25℃ |
9.5 |
10 |
10.5 |
KΩ |
|
热敏电阻电流 |
Itherm |
--- |
- |
- |
5 |
mA |
|
气密性1 |
- |
T=25℃ |
1*10-12 |
1*10-11 |
1*10-8 |
Pa.m3/s |
|
工作温度 |
TC |
I=Iop |
-10 |
- |
70 |
℃ |
|
存储温度 |
Tstg |
- |
-40 |
- |
85 |
℃ |
|
总功耗 |
P |
- |
- |
- |
4 |
W |
注1:气密性数值为管壳封装数值,排除管壳外部残留干扰测试得出。
|
典型特性 |
|
|
|
|
|
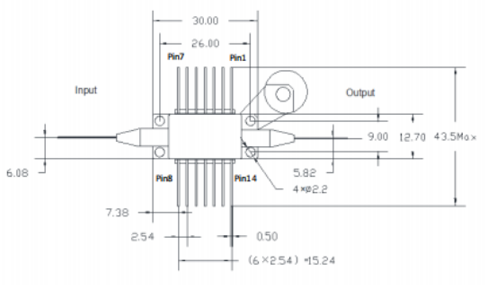
结构尺寸和管脚定义 |
|
|
|
|
|
|
|
|
订货信息 |
产品描述 |
|
SOA-1550-15-G25-SM-FA |
1550nm波段-15dBm饱和输出功率-25dB增益-蝶形封装-单模尾纤-FC/APC接头 |
|
SOA-1550-15-G25-PM-FA |
1550nm波段-15dBm饱和输出功率-25dB增益-蝶形封装-保偏光纤-FC/APC接头 |
更多产品信息,需求信息,请联系苏州太阳成集团tyc539官网科技有限公司相关销售人员获取,咨询电话:0512-62828421,咨询邮箱:sales@ !
